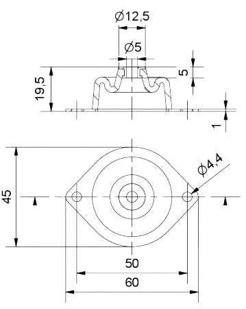
Superflex Lightweight Plate Isolator Mount (0.2 - 1 daN)

Regular price

£8.99

Quantity

*Bulk rates available.

Bespoke Enquiries

Bulk Buying Rates

These are available, but have not yet been added.

Product Information

Description

Understanding the Superflex Lightweight Plate Isolator Mount.

The SUPERFLEX Lightweight Plate Isolator Mount series of bulkhead, or pedestal, rubber mounts can be used to protect sensitive equipment from vibrations in the work environment.

The special S-shaped wall section provides a large deflection without the support becoming unstable.

The SUPERFLEX enables reduction of the vibrations emitted by extremely low weight equipment; the individual support has a recommended minimum load of only 0.2 daN, making it suitable as a base for small speakers.

Features / benefits

  • Min load: 0.2 daN (0.2 mm deflection in compression)
  • Max load: 1 daN (1 mm deflection in compression)
  • High deflection under load
  • Low natural frequency for high isolation

Note: Lead time for these items is normally up to 3 weeks, and can reach 6 weeks in the holiday seasons.